Thank you for writing to us. One of our executive will reach back to you through your submitted medium. In case there’s an urgency, feel free to connect over WhatsApp for faster response.
Prefer calling? Dial +919820544889 (International callers) or +919820544889 (Indian callers).
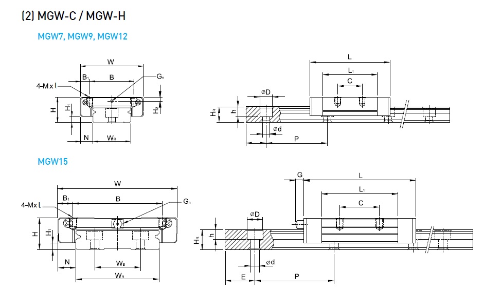
Hiwin MGW -C/H SERIES
Available MGW7C , MGW9C , MG...
Hiwin MGW -C/H SERIES
Available MGW7C , MGW9C , MGW12C , MGW15C in standard Block and MGW7H , MGW9H , MGW12H , MGW15H in Long Block
Call us or Email us now